
刀型閘閥
閥門首頁 > 產品展示 > 閘閥 > 刀型閘閥 > 





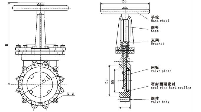
| 公稱壓力 | DN | L | D1 | D2 | H | A | B | C | D | N-Φ | 電裝型號 |
|
0.6 MPa |
50 | 48 | 90 | 110 | 600 | 215 | 125 | 318 | 197 | 4-M12 | DZ10 |
| 65 | 48 | 110 | 130 | 670 | 215 | 125 | 318 | 197 | 4-M12 | DZ10 | |
| 80 | 51 | 125 | 150 | 680 | 215 | 125 | 318 | 197 | 4-M16 | DZ10 | |
| 100 | 51 | 145 | 170 | 700 | 215 | 125 | 318 | 197 | 4-M16 | DZ10 | |
| 125 | 57 | 175 | 200 | 720 | 215 | 125 | 318 | 197 | 8-M16 | DZ10 | |
| 150 | 57 | 200 | 225 | 790 | 215 | 125 | 318 | 197 | 8-M16 | DZ10 | |
| 200 | 70 | 255 | 280 | 850 | 215 | 125 | 363 | 197 | 8-M16 | DZ15 | |
| 250 | 70 | 310 | 335 | 1100 | 215 | 125 | 363 | 197 | 12-M16 | DZ20 | |
| 300 | 76 | 362 | 395 | 1180 | 215 | 125 | 363 | 197 | 12-M20 | DZ20 | |
| 350 | 76 | 412 | 445 | 1280 | 215 | 125 | 363 | 197 | 12-M20 | DZ30 | |
| 400 | 89 | 462 | 495 | 1460 | 215 | 125 | 363 | 197 | 16-M20 | DZ45 | |
| 450 | 89 | 518 | 550 | 1600 | 240 | 235 | 437 | 277 | 16-M20 | DZ45 | |
| 500 | 114 | 568 | 600 | 1800 | 240 | 235 | 437 | 277 | 16-M20 | DZ60 | |
| 600 | 114 | 670 | 705 | 2100 | 240 | 235 | 437 | 277 | 20-M22 | DZ60 | |
| 700 | 127 | 775 | 810 | 2300 | 274 | 260 | 526 | 283 | 24-M22 | DZ90 | |
| 800 | 127 | 880 | 920 | 2500 | 274 | 260 | 526 | 283 | 24-M27 | DZ120 | |
| 900 | 154 | 980 | 1020 | 2700 | 319 | 295 | 554 | 309 | 24-M27 | DZ180 | |
| 1000 | 165 | 1080 | 1120 | 2900 | 319 | 295 | 554 | 309 | 28-M27 | DZ250 | |
| 1200 | 190 | 1295 | 1340 | 2300 | 319 | 295 | 554 | 309 | 32-M27 | DZ250 | |
|
1.0 MPa |
50 | 48 | 100 | 125 | 600 | 215 | 125 | 318 | 197 | 4-M16 | DZ10 |
| 65 | 48 | 120 | 145 | 670 | 215 | 125 | 318 | 197 | 4-M16 | DZ10 | |
| 80 | 51 | 135 | 160 | 680 | 215 | 125 | 318 | 197 | 4-M16 | DZ10 | |
| 100 | 51 | 155 | 180 | 700 | 215 | 125 | 318 | 197 | 8-M16 | DZ10 | |
| 125 | 57 | 185 | 210 | 720 | 215 | 125 | 318 | 197 | 8-M16 | DZ10 | |
| 150 | 57 | 210 | 2400 | 790 | 215 | 125 | 363 | 197 | 8-M20 | DZ15 | |
| 200 | 70 | 265 | 295 | 850 | 215 | 125 | 363 | 197 | 8-M20 | DZ20 | |
| 250 | 70 | 320 | 350 | 1140 | 215 | 125 | 363 | 197 | 12-M20 | DZ20 | |
| 300 | 76 | 368 | 400 | 1180 | 215 | 125 | 363 | 197 | 12-M20 | DZ30 | |
| 350 | 76 | 428 | 460 | 1280 | 215 | 125 | 363 | 197 | 16-M20 | DZ30 | |
| 400 | 89 | 482 | 515 | 1460 | 240 | 235 | 437 | 277 | 16-M22 | DZ45 | |
| 450 | 89 | 532 | 565 | 1600 | 240 | 235 | 437 | 277 | 20-M22 | DZ45 | |
| 500 | 114 | 585 | 620 | 1800 | 240 | 235 | 437 | 277 | 20-M22 | DZ60 | |
| 600 | 114 | 685 | 725 | 2100 | 240 | 235 | 437 | 277 | 20-M27 | DZ60 | |
| 700 | 127 | 800 | 840 | 2300 | 274 | 260 | 526 | 238 | 24-M27 | DZ120 | |
| 800 | 127 | 898 | 950 | 2500 | 319 | 295 | 554 | 309 | 24-M30 | DZ180 | |
| 900 | 154 | 1005 | 1050 | 2700 | 319 | 295 | 554 | 309 | 28-M30 | DZ180 | |
| 1000 | 165 | 1115 | 1160 | 2900 | 319 | 295 | 554 | 309 | 28-M30 | DZ250 | |
| 1200 | 190 | 1325 | 1380 | 3400 | 319 | 295 | 554 | 309 | 32-M36 |
DZ258 |


上一篇:電動刀型閘閥pz943h / 下一篇: 電動刀型閘閥pz943h